
產品與解決方案/PRODUCT AND SOLUTIONS
少用電 用好電 再生電 存儲電 防爆電
解決方案
一種有效可靠的軌道交通機車再生制動能量吸收方案
目前城市軌道交通直流牽引供電系統采用二極管整流器,電能只能從交流電網向直流牽引網單向流動。當車輛制動時,多余的再生制動能量使直流電網電壓升高。傳統的解決方法是設置電阻制動裝置,但這將造成電能的極大浪費并帶來溫升等其它問題。由于軌道交通車輛起制動頻繁,制動能量相當可觀,若能加以合理利用必能產生良好的經濟效益。
現制動方式主要可以分為兩大類:一是機械制動(動能轉化成熱能),機械摩擦制動的缺點是接觸面容易磨損;摩擦時產生高溫可熔化燒灼踏面;摩擦后產生的粉塵有嚴重污染的。二是電制動,把動能轉化為電能后,再將電能送回電網或變成熱能消耗掉,現在電制動主要是采用電阻吸收方式,其主要缺點是只能將電能轉換為熱能消耗掉,造成能源浪費,而且電阻散熱會導致溫度升高,因此需要增加相應的通風裝置,即同時增加相應的電能消耗。
電制動的另一種吸收方式是電容儲能型,將制動能量吸收到大容量電容器組中,當供電區間有列車需要取流時將所儲存的電能釋放出去,其主要缺點是要設置體積龐大的電容器組,且電容因頻繁處于充放電狀態而導致使用壽命短。
電制動第三種方式是飛輪儲能,其工作原理是在列車發生再生制動時,電動機驅動轉子旋轉進行能量儲存,直至達到允許的最大轉速;當列車需求能量時,電動機切換到發電機工況,釋放飛輪中儲存的能量直至達到最低工作轉速并轉變為變電所供電。其缺點是壽命容易受到機械部件磨損的影響而大幅度降低,并且其投資與維護費用均較高。
電制動的第四種是逆變吸收方式,是將車輛制動時產生能量經過逆變變成工頻交流電與車站內電網并網,該吸收方式有利于能源的綜合再利用,實現了節能,是目前日益重視并大力推廣的方式。
2
新風光再生制動能量吸收逆變裝置
軌道交通其牽引供電系統在機車牽引變電所,一般1-2公里就需要設置一個機車牽引變電所,每個機車牽引所都需要配備再生制動能量吸收設備
再生制動能量吸收逆變裝置(以下簡稱逆變裝置)是新風光為滿足軌道交通機車綠色環保運行的市場需求,研制成功的新一代機車制動再生能量處理設備。該逆變裝置屬于逆變回饋型。逆變裝置根據各個傳感器檢測信號,綜合判斷直流電網上是否有列車處于再生電制動狀態,一旦確認列車處于再生制動狀態并需要吸收能量時,系統啟動吸收過程。逆變裝置把機車剎車制動時產生的能量轉換成AC400V電壓,自動跟蹤AC400V母線電壓,并向負載供電,將再生能量消耗在用電設備上,或經隔離變壓器反送至35kV /10kV電網。在直流牽引供電系統中,再生制動能量吸收裝置做為一個子系統工程,其作用關乎系統的安全。
該產品相比以往設備,具有動態響應快,并網電流諧波小(THD小于3%),回饋能量效率高(大于98%),可靠性高。產品經鐵道部質量監督檢驗中心檢驗,各項技術指標均達到設計要求。
2.1系統組成
系統組成框圖如圖1所示,現在大部分城市軌道交通牽引所都是35kV或10kV電網,經過牽引整流變壓器,再進行12脈波整流輸出直流1500V或750V給機車供電。
再生制動能量吸收裝置是并聯在1500V/750V直流系統中,經過逆變裝置變成交流,經隔離變壓器輸入到電網(35kV/10kV/400V)。

圖1
系統組成框圖
2.2 逆變裝置主回路拓撲
逆變裝置主要由輸入輸出開關、逆變單元、隔離變壓器、開關柜等幾部分組成,逆變裝置框圖如圖2所示。

圖2
逆變裝置框圖
(1)輸入輸出開關
主要包括輸入直流接觸器、輸出交流接觸器等器件。分別用于逆變裝置輸入、輸出的接通與分斷。
(2)逆變單元
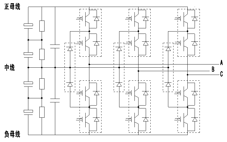
逆變單元的主要作用是把系統瞬間剎車積聚的能量逆變成與電網電壓同步的交流電回送至電網。目前地鐵牽引供電系統電壓一般有兩個電壓等級即直流750V和1500V,逆變主電路采用二極管箝位三電平電路拓撲。主電路拓撲如圖3所示。

圖3逆變單元主電路拓撲
(3)隔離變壓器
逆變單元輸出交流電壓1000V/500V,經隔離變壓器接到35kV/10kV/400V電網。
(4)開關柜
逆變裝置輸出經隔離變壓器后接入35kV/10kV/400V電網。
2.3技術特點

以重慶地鐵某站安裝的逆變裝置為例,根據業主電度表計量的數據,日回饋電能1400度左右,參考工業用電價格1元/度,該站點一天節省運行成本1400元左右,該逆變裝置節電效果是非常明顯的。同時,對隧道內部的通風、散熱需求降低,綜合來說,軌道交通每1-2公里就有一個站點,如果每個站點都安裝該逆變裝置設備,那么地鐵運行成本將會大大降低。
4結束語
新風光再生制動能量吸收逆變裝置控制車輛電制動時的運行電壓,保障了車輛的安全運行。逆變裝置投運后節電效果顯著,符合國家節能減排的大政方針。同時降低了車輛運行隧道內的通風散熱需求,提高了相關設備的運行環境質量。“十二五”期間,隨著軌道交通節能環保、綠色化的主題深入人心,該逆變裝置前景可期。