
產品與解決方案/PRODUCT AND SOLUTIONS
少用電 用好電 再生電 存儲電 防爆電
解決方案
再生制動逆變裝置在南京地鐵中的應用
城市的交通擁擠問題在國內大、中型城市日益嚴重,已經成為影響城市經濟發展的重要制約因素之一。由于城市軌道交通的眾多優點,具有運量大、速度快、時間準、能耗低、污染少和安全舒適等特點,因此城市軌道交通方式無疑是解決城市交通擁擠問題的一種有效手段。
目前城市軌道交通直流牽引供電系統采用二極管整流器,電能只能從交流電網向直流牽引網單向流動。當車輛制動時,多余的再生制動能量使直流電網電壓升高。傳統的解決方法是設置電阻制動裝置,但這將造成電能的極大浪費并帶來溫升等其它問題。由于軌道交通車輛起制動頻繁,制動能量相當可觀,若能加以合理利用必能產生良好的經濟效益。
從較早的在牽引變電所設置再生能量電阻消耗裝置的應用到近幾年電容儲能、再生電能逆變回饋設備發展,再生制動能量吸收技術在不斷研制和持續改進,在國內外軌道交通線路上得到應用。再生能量電阻消耗裝置,其主要缺點是只能將電能轉換為熱能消耗掉,造成能源浪費,而且電阻散熱會導致溫度升高,因此需要增加相應的通風裝置,即同時增加相應的電能消耗。電容儲能型,將制動能量吸收到大容量電容器組中,當供電區間有列車需要時將所儲存的電能釋放出去,其主要缺點是要設置體積龐大的電容器組,且電容因頻繁處于充放電狀態而導致使用壽命短。再生電能逆變回饋設備,是將車輛制動時產生能量經過逆變變成工頻交流電與車站內電網并網,該吸收方式有利于能源的綜合再利用,實現了節能,是目前日益重視并大力推廣的方式。
新風光研制的再生制動能量吸收逆變裝置為逆變回饋型,其回饋能量將直接用于車站內400V負載或經變壓器反送至10kV//35kV電網。再生制動能量吸收逆變裝置根據各個傳感器檢測信號,綜合判斷直流電網上是否有列車處于再生電制動狀態,一旦確認列車處于再生制動狀態并需要吸收能量時,系統啟動吸收過程。逆變裝置把機車剎車制動時產生的能量轉換成AC400V電壓,自動跟蹤AC400V母線電壓,并向負載供電,將再生能量消耗在用電設備上,確保機車充分有效利用電制動。在直流牽引供電系統中,再生電能吸收裝置為一個子系統工程,其作用關乎系統的安全。
2南京某線路牽引供電系統概況
南京軌道交通其牽引供電系統在機車牽引變電所,2-4公里就設置一個機車牽引變電所,每個機車牽引所都需要配備再生制動能量吸收設備。
南京牽引供電系統主要分為直流牽引網和交流配電網兩部分。主變電所將三相35kV高壓交流送至各牽引所,經整流變壓器、整流器變成適合軌道車輛應用的1500V直流母線,饋電線再將直流電送到接觸網上,接觸網是沿車輛走行軌架設的特殊供電線路,軌道車輛通過其受流器與接觸網的直接接觸而獲得電能。
本工程供電系統主要參數如表1所示。

3新風光FDBL-JC-650/1500V型再生制動能量吸收逆變裝置介紹
再生制動能量吸收逆變裝置是新風光電子科技股份有限公司自主研發,擁有完全的自主知識產權,新風光通過對逆變器多電平電路拓撲結構技術、電壓型逆變器的電流源控制技術、單元并聯技術、并網技術等關鍵技術進行攻關,實現了突破。在國內較早成功運行在軌道交通行業。通過該項目關鍵技術開發與應用,滿足了城市軌道交通行業低碳綠色環保節能的需求,推動國產軌道交通裝備的提質增效。
該逆變裝置具有動態響應快,并網電流諧波小,回饋能量效率高,可靠性高。產品經鐵道部質量監督檢驗中心檢驗,各項技術指標均達到設計要求。該設備被列入科技部2014年度國家火炬計劃項目。
3.1新風光FDBL-JC-650/1500V型再生制動能量吸收逆變裝置主要技術參數
新風光FDBL-JC-650/1500V型再生制動能量吸收逆變裝置主要技術參數如下:
(1)功率:峰值功率650kW,持續時間20s,周期120s
(2)工作制:間歇工作制
(3)啟動電壓值:1530V~1980V連續平滑可調
(4)輸出電壓:AC1000V
三相三線制
(5)頻率:跟蹤交流側電網頻率
(6)額定工況下輸出功率因數:>0.98
(7)額定工況下整套設備效率:>97%
(8)額定工況下電流諧波含量:≤3%
(9)額定工況下電壓諧波含量:≤3%
(10)裝置響應時間:≤200ms
3.2主要工作原理
逆變器部分采用多單元并聯方式,根據再生制動時直流母線電壓的變化狀況調節逆變器的輸出功率大小,將直流母線電壓恒定在某一設定值范圍內,整機對外呈現電流源特性。
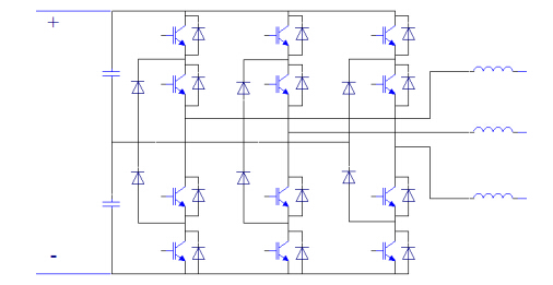
逆變器主要由直流接觸器、逆變單元、濾波電抗器、交流接觸器等部分組成,如圖1所示,可實現逆變裝置自動投入、撤出、濾波及檢測等功能。

圖1 逆變裝置主回路拓撲
當車輛再生電制動且制動能量不能被其它車輛或用電設備消耗時,再生制動能量吸收逆變裝置將該部分的能量,根據直流母線電壓的變化自動調節逆變單元的輸出電流大小,逆變為與電網電壓同頻、同相的交流電送回電網。
逆變主電路主要實現逆變吸收、自動并網及逆變電流調節等功能。逆變主電路由多路獨立的逆變單元及控制裝置等組成,逆變單元采用IGBT作為開關器件,控制裝置通過PWM調節控制每條支路IGBT通斷。并根據實際再生制動能量的大小調節并網電流,充分滿足車輛的再生制動功能。裝置具有過壓、過流、溫度、短路等多種保護功能。
逆變裝置的單元采用三電平拓撲電路,如圖2所示。逆變輸出電壓波形、輸出電流波形分別如圖3、4所示。
圖2 功率單元拓撲結構
3.3顯示設定顯示裝置
采用彩色觸摸屏,通過觸摸屏操作,實現對系統運行狀態的實時顯示、用戶級參數修改等功能。同時對故障進行顯示和記錄,欠壓、過壓、過流、過熱等保護值,以及逆變裝置啟動閥值等參數可通過觸摸屏進行設定。
3.4通信功能
控制系統采用標準的數據通信口,采用RS485接口,數據通信協議采用具有良好的通用性和開放性Modbus協議。實現開關位置、故障信號遙信,電流、電壓和電度等的遙測功能,根據實際需要可以增加對設備交直流接觸器的遙控功能。控制系統上送變電所綜合自動化系統的故障信息帶有時標,并具有與綜合自動化系統進行時鐘同步功能。
3.5自動化數據采集、存儲功能
控制系統具有數據采集、存儲功能,以及顯示、控制界面,本地采集信息包括以下內容:數據采集日期和時間、直流電網電壓、逆變器輸出側交流電壓、電流、回饋功率等。以上參數通過數據采集系統處理后,保存在本地裝置中,也可實現USB等傳輸方式轉存。
控制系統對設備運行狀態信息進行處理、顯示。設備運行狀態信息包含開關狀態和系統故障信息。其中開關狀態包括交、直流開關柜、逆變柜內的開關狀態,系統故障信息包括交、直流電網電壓異常、功率模塊異常、變壓器異常等。
3.6保護功能
裝置內部設置如下保護:交流電網欠壓、過壓保護,直流電網欠壓、過壓保護,功率模塊過流保護,功率模塊過熱保護,隔離開關(狀態)保護,散熱風機故障保護,變壓器過熱保護等保護。
4改造后使用效果
為了降低地鐵運營成本,南京地鐵公司領導經過多方考察,與新風光電子科技股份有限公司簽訂了在地鐵某線路上使用FDBL-JC-650/1500V型再生制動能量吸收逆變裝置的協議。經過雙方技術人員的緊密配合,制定了周密的改造方案。2015年1月8日,改造工程完成,逆變設備一次性投入運行,至今運行良好,取得了顯著的節能效果,達到了改造的預期目的。
該逆變裝置將再生制動吸收的能量回饋到400V電網,供給地鐵內其他用電設備使用。該逆變裝置接入地鐵電網系統框圖如圖5所示。
圖5
系統組成框圖
為了測試節能效果,南京地鐵公司加裝了電表計量,測試逆變裝置回饋的電量及效果。經過近一年的測試,該裝置投運后日均節電1000度左右,年節電約36.5萬度,按照南京當地電價0.8451元/度,年節省電費約30.8萬元,另外采用該設備節省了原來電阻制動時隧道散熱所需的電量,這又節省了一筆可觀的開支。
5
結束語
新風光研制的再生制動能量吸收逆變裝置成功應用在北京、重慶、天津、南京等城市的地鐵中,是目前國內地鐵現場應用較早、業績較多、性能較為可靠的產品。隨著人們節能環保的意識提高,再生制動能量逆變吸收方式會被越來越多的地鐵公司接受和認可,該產品也會在地鐵行業普遍應用。