
產品與解決方案/PRODUCT AND SOLUTIONS
少用電 用好電 再生電 存儲電 防爆電
解決方案
新風光高壓動態無功補償裝置在煤礦上的應用情況
引言
在煤礦井下供配電系統中廣泛存在大量的感性負荷,如三相異步電動機和變壓器,這些感性負荷在配電系統中會消耗大量的無功功率,降低系統的功率因素,造成線路電壓損失加大和電能損耗增加。此外,對于一些沖擊性無功負荷,還會產生劇烈的電壓波動,使電網的供電質量惡化,造成電機啟動困難或頻繁燒毀,特別是在大功率電動機使用上表現尤為明顯。另外,因無功電流的增大會引起供電線路、用電設備絕緣下降,老化,易造成漏電、短路等故障。隨著現代化礦井快速發展,機械化程度不斷提升,大功率電機大量使用,普通應用電子原件產品,各種感性負荷及用電設備與地面電網供電電源之間必然循環著大量無功功率,同時產生各類諧波,造成供電質量惡化和電能嚴重浪費,直接影響電網及用電設備正常。
采用無功補償后具有如下意義:
(1)降低無功損耗,減少電能浪費
采用補償后,系統功率因數提高,使變壓器及供電線路中電流下降,降低了無功損耗,達到節能降耗的目的。
(2)提高功率因數
用容性無功電流就近實時抵消負荷產生的感性無功電流,達到提高井下供電系統功率因數的目的。
(3)治理諧波,凈化井下電網
各補償支路具備限制涌流,治理諧波的功能,達到裝置內電氣元件安全運行和凈化井下電網的目的。
(4)提高了供電系統的利用率
井下用電設備與地面電源之間存在大量往復循環的無功功率,這些無功功率必然占用供電系統許多容量,造成供電線路帶負荷能力下降,井下變壓器容量利用率下降,各級控制開關帶載能力下降,加裝無功補償后,使井下變壓器視在功率接近于有功功率,有效提高了視在功率利用率,供電線路及各級控制開關因減少了無功電流,大大提高了承載能力。
(5)穩定電網電壓
井下感性負荷大量產生無功功率,必然導致供電系統電網電壓波動。無功功率大,電網電壓波動幅度大,無功量變化頻率快,電網電壓波動頻率隨之加快。安裝使用無功補償后,將大部分無功功率就近補償,勢必導致供電網無功功率顯著減少,減小了電網電壓及井下變壓器二次電壓波動范圍。
(6)減少電氣事故率,延長設備使用壽命。
變壓器、供電線路、各級控制保護開關及供電系統所有主回路連接點的溫升與流過該系統的視在電流成正比,視在電流大,必然導致溫度升高快,溫度超越絕緣強度后,勢必引起老化、接地、放電、弧光短路等各類事故,甚至引起漏電傷人,導致設備壽命縮短,維修工作量加大,增加維修資金支出,縮短設備更新周期,增加設備投資費用。經無功補償后,系統視在電流下降30%左右,所有電氣設備承受實際電流減小,減少了因電流大造成各類電氣事故的幾率,事故率下降必然提高設備的開機率,減少事故處理時間必然增加正常生產時間。總之,安裝補償達到了減少費用,節約投資,減少事故,增產增效的目的。
2靜止無功發生器技術
無功補償技術的發展經歷了從同步調相機→開關投切固定電容→動態投切電容器(SVC)→無功發生器(SVG)的過程。靜止無功補償器(SVG,又稱STATCOM)采用了全控型開關器件(如IGBT),所以其動態補償效果是早期的同步調相機、電容器等無功補償裝置不能比擬的。靜止無功發生器以其較低的諧波,較高的效率,較快速的動態響應,將成為輸電系統中的重要設備。
傳統補償諧波和無功的一種方法是裝設無源濾波器,通常由電力電容器、電抗器和電阻器串并聯組合而成,該方法既可補償諧波,又可補償無功功率。目前我國常用的無功調節設備仍為機械式并聯電抗器、投切電容器,這些靜止型調壓手段,因調節不連續、響應速度慢,很難滿足系統運行方式快速變化時的需求。另一種補償裝置SVC,響應速度相比電容器速度快,但對電網來說仍呈阻抗特性,在電壓低時,無法提供系統所需的無功支持,應付電網異常的能力較弱;由于SVC會對系統中的某些特征諧波放大,有時必須裝設濾波器,占地面積較大;過多的SVC裝置容易引發系統振蕩。高壓動態無功補償裝置SVG則是較為有效的調壓手段,它的無功電流輸出可在很大電壓變化范圍內恒定,在電壓低時仍能提供較強的無功支撐,并且可從感性到容性全范圍內連續調節。
3新風光公司高壓動態補償系統(FGSVG)
FGSVG系列產品采用現代電力電子、自動化、微電子及網絡通訊等技術,采用先進的瞬時無功功率理論和給予同步坐標變換的功率解耦算法,以設定的無功性質及大小、功率因數、電網電壓為控制目標運行,動態的跟蹤電網電能質量變化調節無功輸出,并能實現曲線設定運行,提升電網質量。
3.1
FGSVG系列產品特點:
FGSVG系列產品為滿足用戶對提高輸配電網絡的功率因數、治理諧波、補償負序電流的迫切需要,做出相應設計,具有以下特點:
(1)模塊化設計,安裝、調試、設定方便。
(2)動態響應速度快,響應時間≤5ms。
(3)在補償容量足夠的前提下,輸出電流諧波(THD)≤3%。
(4)多種運行模式極大的滿足用戶需求,運行模式有:恒裝置無功功率模式、恒考核點無功功率模式、恒考核點功率因數模式、恒考核點電壓模式、恒考核點無功功率模式2,目標值可實時更改。
(5)實時跟蹤負荷變化,動態連續平滑補償無功功率,提高系統的功率因數,實時治理諧波,補償負序電流,提高電網供電質量。
(6)抑制電壓閃變,改善電壓質量,穩定系統電壓。
(7)FGSVG電路參數精心設計,發熱量小,效率高,運行成本低。
(8)設備結構緊湊,占地面積小。
(9)主電路采用IGBT組成的H橋功率單元串聯結構,每組由多個相同的功率單元組成,整機輸出由PWM波形疊加而成的階梯波,逼近正弦,經輸出電抗器濾波后正弦度好。
(10)FGSVG采用冗余性設計和模塊化設計,滿足系統高可靠性的要求。
(11)功率電路模塊化設計,維護簡單,互換性好。
(12)保護功能齊全,具有過壓、欠壓、過流、光纖通訊故障、單元過熱、不均壓等保護,并能實現故障瞬間的波形錄制,便于確定故障點,易維護,運行可靠性高。
(13)人機界面友好顯示,對外通訊提供了RS485、以太網等接口,采用標準MODBUS通訊協議。除具有實時數字量及模擬量的顯示、運行歷史事件記錄、歷史曲線記錄查詢、單元狀態監控、系統信息查詢、歷史故障查詢等功能外,還具有送電后系統自檢、一鍵開停機、分時控制、示波器(AD通道強制錄波)、故障瞬間電壓/電流波形記錄等特色功能。
(14)FGSVG設計包含與FC配合使用的接口,實現定補和動補的有效結合,為用戶提供更經濟、更靈活的方案。
(15)投切時無暫態沖擊,無合閘涌流,無電弧重燃,無需放電即可再投。
(16)與系統連接時,不需要考慮交流系統相序,連接方便。
(17)可并聯安裝,極易擴展容量。并機運行使用光纖通訊,通訊速度快,能夠完好的滿足實時補償的要求。
3.2
FGSVG原理
在交流電路中,電壓和電流的相位有三種情況,當負載是純電阻特性時,電壓和電流相位相同;當負載是(或含有)電感特性時,電壓相位超前電流相位;當負載是(或含有)容性特性時,電壓相位滯后電流相位。

基本原理就是將自換相橋式電路通過變壓器或者電抗器并聯在電網上,適當地調節橋式電路交流側輸出電壓的幅值和相位,或者直接控制其交流側電流就可以使該電路吸收或者發出滿足要求的無功電流,實現動態無功補償的目的,如表1所示。
表1 SVG運行模式原理示意圖

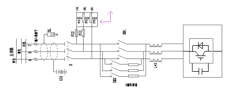
3.3系統結構
FGSVG系統主電路結構如圖2所示:

圖 2 系統主電路結構圖
4煤礦應用案例
某煤礦礦井供電系統采用10kV雙回路供電,主供線路來自新玉35kV變電站10kV出線,備用線路來自自備電廠35kV直供站10kV直新線。井下中央變電所安裝KBSG-630/10變壓器兩臺,供電電壓660V,其供電系統如圖3所示。

為了對電網進行無功補償,該煤礦采用新風光公司生產的2套FGSVG-C3.0/10,其中一套掛在1號電容柜,取玉基線和直新線的CT電流信號并在10kV一段母線進行無功補償;另外一套掛在2號電容柜,取玉礦線電流信號并于10kV母線2段進行無功補償。
該SVG工程成功投運之后效果明顯,采集裝機前后的數據記錄如圖4所示。

圖4
圖4為記錄的玉礦線SVG投運前功率因數,有圖4可以看出未投運SVG,功率因數為0.83左右,對電網的穩定性不利。

圖5
圖5左半部分為SVG投運后玉礦線功率因數曲線,可以看出投運無功補償后功率因數達到1,右半部分是SVG未投運功率因數曲線,可以看出退出SVG無功補償裝置后,功率因數僅為0.84,由此可以看出SVG對改善功率因數有很好的效果。

圖6
圖6是記錄10kV2段玉礦線進線柜的無功值,有圖6可以看出進線上無功值可以達到450kvar,且波動較大,此時無功值較大會增加線路的損耗,降低線路的供電能力。

圖7
圖7左半部分為SVG未投運時系統無功值,最大可以到0.45Mvar,且波動較大,右半部分為SVG投運后系統無功值,可以看出無功補償投運后系統的無功值近乎為0,且波動較小,由此可以看出SVG對補償系統無功,提高線路供電能力有顯著地效果。

圖8
圖8是記錄的10kv1段直新線上的SVG投運前后系統的功率因數曲線,左半部分是投運前,可以看出功率因數較低,波動較大;右半部分為SVG投運后的功率因數,可以看出功率因數為1,可見SVG對改善功率因數效果顯著。

圖9
圖9是記錄的10kV1段直新線SVG投運前后系統的無功值,左半部分為SVG未投運時系統的無功值,可以看出系統無功值波動較大,且最大值到了1.25Mvar;右半部分是SVG投運后系統的無功值,可以看出無功值近乎為0,較小,且波動較小,由此可以看出SVG對補償系統無功效果顯著。
以上圖片及說明為記錄10kV1段(直新線)(玉基線維修,未投運,未測量)、10kV2段SVG投運前后系統上的無功值與功率因數,有以上可以看出SVG并在1段、2段電網,對改善系統功率因數、補償系統無功、提高線路供電質量有顯著的效果,值得推廣。
5結論
新風光公司高壓動態無功補償裝置(SVG)作為高壓動態無功補償領域的較新技術與其他無功補償裝置相比具有調節速度快、運行范圍寬、吸收無功連續、諧波電流小、損耗低、所用電容器和電抗器容量和體積大為降低等優點。
該裝置對煤礦功率因數的改善起到了明顯的作用。能夠長時間穩定無自身故障的運行也體現了該SVG對煤礦電網的強適應力。同時可以看到SVG裝置對于改善煤礦電網特性,提高電網穩定性發揮了積極的作用,值得在電力系統大力推廣。