
產品與解決方案/PRODUCT AND SOLUTIONS
少用電 用好電 再生電 存儲電 防爆電
解決方案
大功率永磁同步電機高壓變頻器在造紙行業磨漿機上的應用
引言
為了將高濃漿料進行直接打漿,并增強最終產品的抗張物理強度以及降低動力消耗,在造紙的打漿工業生產過程中,應用高濃磨漿機、永磁同步電機聯合驅動技術。高濃磨漿機打漿濃度可達10%-30%,相比于低濃磨漿有50%的動力節省。該技術大多采用永磁同步電機驅動高濃磨漿機,電機頻率為固定50Hz不可調[1]。
永磁同步電機相比異步電機不需要傳統的變速裝置,所以永磁同步電機體積很小重量很輕。在電機功率方面,永磁同步電機功率大具有高功率密度。同時,永磁同步電機的轉動慣量要比一般的異步電機小并且動態響應要高于異步電機,而且永磁同步電機可以直接驅動高速負載,這樣避免了由變速裝置帶來的各種損耗和噪聲。
永磁同步電機不需外界能量即可維持其轉子磁場,但永磁同步電機運行時,定子磁場矢量與轉子磁極位置之間的夾角δ(功率角)必須在0~90°范圍內變動,否則將導致失步。這也造成永磁同步電機從外部調節、控制其磁場極為困難。因此永磁同步電機一般采用轉子磁鏈定向的矢量控制技術變頻啟動,通過改變定子旋轉磁場進行轉速,利用定轉子磁場同步啟動永磁同步電機。圖1為某造紙現場中永磁同步電機變頻器系統驅動磨漿機.

圖1永磁同步電機變頻器系統驅動磨漿機.
2 永磁同步電機變頻器控制系統

圖2永磁同步電機變頻器系統結構
永磁同步電機變頻器系統結構如圖2所示.將系統電網電壓輸入連接到永磁同步電機變頻器的移相變壓器上,移相變壓器將電網輸入電壓轉換為獨立的三相690V電壓,給每個功率單元供電。移相變壓器的作用:第一是將電網的高壓降低為低壓,給每個功率單元供電;第二是移相變壓器采用延邊三角形結構,使單元的輸入電壓進行移相,這樣就減小了對電網的諧波無污染,為真正的完美無諧波;第三是給每個功率單元提供獨立的電源,可以使單元進行級聯。永磁同步電機變頻器有完善的控制系統,其主控系統采用高速DSP為控制核心,控制算法完全數字化,主控箱與功率單元采用高速光纖通訊,主控將PWM波信號通過下行通訊光纖傳遞給每個功率單元,每個功率單元通過相應單元的保護動作通過上行通訊光纖上傳給主控系統。主控產生的PWM信號為載波移相后的PWM信號,這樣就可以將單元級聯后輸出的電壓諧波減小。
功率單元級聯輸出電壓采用自動穩壓技術,單元輸入母線電壓高時,輸出調制波相應減小,單元輸入母線電壓低時,輸出調制波相應增加,這種技術可以解決由于負載不平衡導致母線電壓不一致,從而出現輸出電壓不平衡的問題。
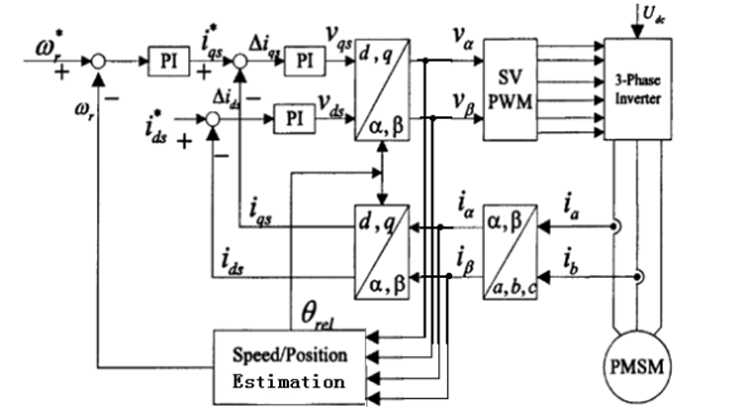
同步電機采用改進的空間矢量磁場定向控制策略,控制系統采用速度環和電流環雙閉環結構,電流環采用PI調節器,實現簡單,并能獲得較好的電流跟蹤性能。速度環采用PI調節器,能有效地限制動態響應的超調量,加快響應速度。速度給定ω與速度反饋相減得出速度誤差,速度誤差經PI調節后輸出轉矩電流給定i*qs,i*ds勵磁電流給定是根據系統的動態需要進行調整其值根據不同的電機和負載得出的經驗值,電機三相電流反饋iu、iv、iw經傳感器采樣,然后再根據轉子位置電氣角度θ進行Clarke變換和Park變換輸出ids、iqs,ids、iqs值與給定值i*qs、i*ds求誤差,進行PI調節后輸出Vqs、Vds, 電壓矢量利用轉子位置電氣角度θ經過Park逆變換和Clarke逆變換輸出電機定子三相電壓Uu、Uv、Uw值,三相電壓Uu、Uv、Uw值作為PWM(脈寬調制)的比較值比較輸出PWM波形到逆變器,然后驅動電機旋轉[2]。無感矢量控制原理如圖3所示。

圖3 無感矢量控制原理圖
永磁同步電機變頻器可在在靜止狀態下可辨識出定子電阻Rs、直軸電感Ld以及交軸電感Lq。可由動態辨識,或是由電機銘牌獲取電機額定反電勢。無感矢量控制的關鍵是通過電機定子側的電壓和電流估算出轉子位置和速度。
一個模型參考自適應系統如圖4所示,應包含著兩種模型,分別為參考模型和可調模型,這兩個模型有著相同物理意義的輸出量,不同的是參考模型不含待估參數,而可調模型含有對應的待估參數。其基本思想為:參考模型與可調模型的輸出和狀態性能指標通過反饋比較器得到誤差方程,構造合適的自適應律,使得可調模型的控制對象能夠跟隨參考模型的動態響應,從而實現自適應實時調節。通過模型參考自適應估計器估算出轉子位置和速度。

圖4 模型參考自適應框圖
無擾切換功能也叫同步切換、軟切換。是指高壓變頻器檢測到輸入電網電壓的幅值、頻率和相位后,高壓變頻器調整輸出電壓,使其輸出與電網電壓同頻、同相、同幅值的電壓后,實現負載、電網無擾切換。在切換過程中高壓永磁同步電動機可以一直保持負載運行不會出現負載擾動,切換過程中無沖擊電流,實現系統切換的“零擾動”。
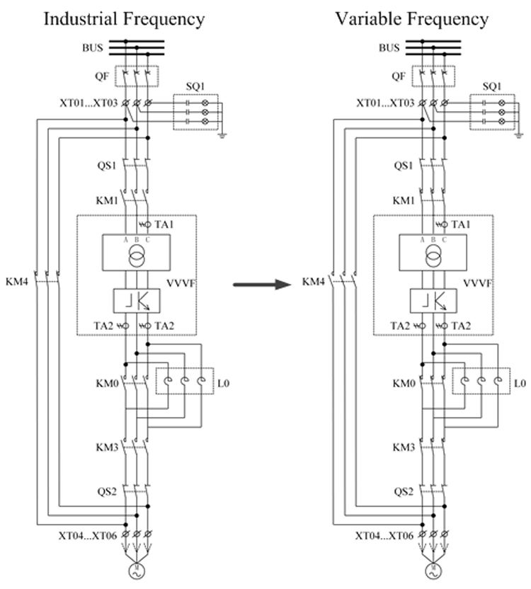
永磁同步電機變頻器無擾切換整機邏輯換如下圖5所示。首先,變頻器會自動斷開交流接觸器KM0,并將頻率上升至50Hz。然后,變頻器根據輸入電壓檢測板上傳的頻率和幅值,自動將運行頻率和幅值調整到與電網頻率和幅值一致。接著,變頻器自動調整相位,直到運行相位與電網相位相差2度以內。此時變頻器運行電流不變,并將“同步調整完成信號”反饋給PLC控制器。最后PLC控制器先閉合交流接觸器KM4,再斷開交流接觸器KM3,最后斷開交流接觸器KM1,變頻器停機。工頻運行電動機。

圖5 永磁同步電機變頻器無擾切整機邏輯
該技術可滿足多電機綜合控制及大容量電機軟啟動的需要。
3 結束語
永磁同步電機變頻器驅動磨漿機、永磁同步電機系統已經得到越來越多的應用,在造紙業等現場得到很好的應用驗證,相信此技術在增強最終產品的抗張物理強度以及降低動力消耗等方面必然有更大的提升。