
產品與解決方案/PRODUCT AND SOLUTIONS
少用電 用好電 再生電 存儲電 防爆電
解決方案
FD800變頻器在長距離管帶機中的應用案例分析
專為高端應用市場而設計,具有完善的控制系統,其主控系統采用高速DSP為控制核心,具備優異的速度與轉矩的控制性能,具有豐富的用戶接口和配置,模塊化設計方案,支持四象限,支持多機傳動,單元與柜機靈活配置,可以應用在需要高過載能力、高可靠性、持續作業的場合;特別適用于冶金、港機、起重、岸電、石油、石化、市政、化工、電力、建材、礦業、船舶、造紙、測功機、EPS 等行業及各類大型裝備。
FD800系列產品采用國際主流的模塊化設計理念,可單獨提供功率單元、變頻器單元、濾波單元或整套柜機,從而滿足終端用戶、OEM 和系統集成不同類型客戶的需求。


圖1 FD800柜機圖
FD800系列產品由于其配置靈活性,也可以根據客戶特殊需求通過模塊的靈活組合實現定制服務,以滿足客戶各種精確控制需求。

圖2 FD800現場柜機圖
管帶機介紹
為解決物理傳輸過程中帶來粉塵污染問題,將散狀物料包裹在強制形成管狀膠帶內進行輸送的一類特殊的帶式輸送機作為一種物料輸送設備稱之為管帶機。
其輸送原理與普通帶式輸送機完全相同,即通過輸送膠帶作為傳力和物料的輸送媒體,由轉動靈活的托銀作為輸送物料膠帶的支撐,經滾筒的改向和傳動,由驅動裝置驅動滾筒使輸送機膠帶靠滾筒與膠帶的摩擦使輸送物料的膠帶進行周圈轉動傳送物料。所不同的是,普通帶式輸送機物料在形成平形或槽形截面的膠帶上進行輸送,而管狀帶式輸送機使物料在形成管狀截面的膠帶內進行輸送。

圖3 管帶機示意圖
該鋼鐵焦化廠管狀帶式輸送機系統于2009年投入生產使用。全長3.6公里,將焦化廠與主廠區進行連接,用于主廠區原料煤碼頭來煤卸船后輸送至焦化廠焦爐煉焦生產使用,額定輸送能力1200t/h。
輸煤管帶機采用頭二尾一變頻驅動方式,電機功率880kW,配有編碼器做閉環控制。正常情況下控制系統使用一主兩從變頻器驅動對應電機,在其中一臺設備的故障狀態下,可以進行主機從機的切換,實現一主一從的控制。

圖4 輸煤管帶機工作示意圖
該管帶機系統投產至今已有15年,存在設備老化,故障率高的問題,且日常維護頻繁,以及在用的變頻器備件早已停產問題,如遇到突發設備故障產線停產風險大。為確保輸煤管帶機系統運行穩定,即用FD800系列產品對該輸煤管帶機系統進行更新、替換以及功能優化,從而實現產線設備穩定可靠。

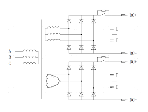
圖5 管帶機系統變頻器主回路拓撲圖
該系統所用FD800工程傳動變頻器主要有以下特點:
(1)采用十二脈沖整流方案,在將交流電轉換直流電的過程中,能夠有效的減少諧波干擾和電壓波動。整流單元還內置了直流緩沖部分。

圖6 十二脈沖整流方案
(2)控制性能優異。提供V/F、開環矢量、閉環矢量三種控制方式,可驅動同步和異步電機,一個控制單元可以通過光纖連接多個傳動單元,不僅安全可靠、節省成本,也可輕松實現多傳動與并機應用的靈活切換。
(3)模塊式功率單元。功率單元模塊化設計,提高產品通用性;提高產品生產效率,提高產品維護性,不需反復的拆卸和安裝,在柜內實現單元器件的維護工作。
(4)功率單元高度冗余,支持單元切入切除。管帶機系統變頻器逆變柜使用3個500kW功率單元組成,在某功率單元出現故障后,此單元可以切除,設備仍可以保證機器的正常運行,降低系統突然停機的風險。
(5)瞬停不停(低電壓穿越)。在用戶主電源出現因瞬時停電、晃電、電網切換等電網電壓突降時,變頻器能保證在限定時間內正常運行。
(6)快速飛車啟動。電機在自由旋轉過程中,無需等待電機剩磁消失,無需從高頻往下搜頻,變頻器從電機當前頻率進行啟動,并拖動電動機運行至設定狀態。
(7)數字延遲誤差補償技術。通過數字延遲補償算法,補償因周期計算導致的相位及幅值延遲,能明顯提升控制環路的穩定性和控制性能。
(8)高可靠性。關鍵器件采用國際知名品牌長壽命器件,從器件級別全面保障系統可靠性;系統單元之間采用光纖通訊技術,實現光電隔離,在滿足工程現場特殊的長距離傳輸需求的同時有效的保障系統可靠性。
(9)其它技術特點。振蕩抑制技術、輸出電壓自動穩壓技術、自動限流功能等。
總結:
新風光 FD800系列工程傳動變頻器在鋼鐵廠管帶輸煤機的成功投運,標志著新風光變頻器在鋼鐵行業又完成了一次突破性應用。該項目無縫替代管帶輸煤機的原進口設備,并且實現了通訊系統由ControlNet協議向Ethernet/IP 協議的升級,實現單條輸煤機 3.6km 長距離傳送,突破行業新長度。三套FD800工程傳動及控制系統在線切換主機設計,保證了設備運行的連續性,極大程度上提升了鋼鐵企業作業效率。標志著新風光發展新質生產力,推進高端裝備國產化進程邁上新臺階。