
產品與解決方案/PRODUCT AND SOLUTIONS
少用電 用好電 再生電 存儲電 防爆電
解決方案
1140V變頻器在油田抽油機上的應用
1游梁式抽油機的特點
在全世界的油田中,從設備的數量與規模上都占絕大多數。只要走入某個油田,首先映入眼簾的大多是游梁式抽油機,又稱“磕頭機”,這種設備以其安裝方便,調試簡單,使用可靠、應用靈活而被大多數的采油廠使用,如圖1為野外使用的抽油機。

圖1游梁式磕頭機
這種設備是采用杠桿的原理,由電動機帶動減速器周期性的旋轉,并拖動曲桿作往復運動,從而使驢頭及對應的平衡裝置作上下運動,將地下的油帶出地面,進入輸油系統。
該設備由于都安裝于地面,安裝、調試都比較方便,應用也比較廣泛。但是在地質情況比較復雜的場合,如油質稠、含沙、結蠟較多,有時抽起來比較困難。
2工頻控制的缺點
原來用工頻直接起動,起動力矩大,對機械的沖擊大,很容易出現斷桿、卡井、減速機齒輪損壞、燒毀電機等較嚴重故障,特別是油井的中、后期,井液量供液不足時,需要調節沖次,更換皮帶輪或減速箱,較繁瑣,危險性大,工作量大,也帶來了一定的困難。
由于油井都比較深,大約都在1千米以上,油井啟動時力矩比較大,所需要的轉矩大約是正常工作的一倍以上,因此在設計時采用的動力裝置---電動機往往功率較大,而在正常抽油時,負載變輕,所需的力矩又比較小,因此存在著嚴重的“大馬拉小車”現象。
又由于在驢頭下放時,負載變輕,電機基本處于自由下放狀態,降低了電網的功率因數及電機的效率,增加了無功損耗,使整個系統效率低下,耗能嚴重,出現嚴重的能源浪費現象。隨著電力電子技術和微電子技術發展起來的變頻調速裝置,由原來的用于風機、水泵的節能控制變頻器,現也逐步應用到抽油設備上,收到了良好的效果。而且改造方便,使用原有電機即可,可實現調沖次、軟起停、節能的效果,這是其他任何方法都做不到的。
3 新風光電子1140V抽油機變頻器
3.1 新風光1140V抽油機變頻器主回路拓撲結構
新風光1140V抽油機變頻器如圖2所示。由于現場工作電壓比較高,為中壓1140V,采用普通的變頻器顯然不合適,而采用高壓模塊,代價又較高,且對于高壓電機而言,良好的波形,對其絕緣及耐壓都是必須的,普通的兩電平電路顯然不能適應這一要求。
圖2新風光電子抽油機變頻柜
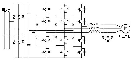
為了適應電壓等級及負載的要求,抽油機變頻器主回路采用了三電平電路或稱中點箝位電路,如圖3所示。
圖3 抽油機變頻器主電路圖
其中主電路每相接有兩只IGBT,串聯承擔全部的電壓,三相交流電壓經全波整流后變成直流電壓,由單片機控制兩只IGBT(1700V)的導通與截止,形成SPWM的交變輸出。為抑制IGBT交變過程中的電壓突變,采用了中點箝位電路,有兩只快恢復二極管串聯組成箝位二極管,其中心點與濾波電容的中心點相連接,組成本電路的中心點(三電平的中心電平)。其輸出波形如圖4所示。
圖4 三電平波形圖
從圖4中可看出,相電壓為三電平,線電壓為五電平,因此它不但能輸出較高的電壓,而且能降低輸出諧波和電壓變化率(dv/dt),良好的波形正是本電路的特色。
3.2新風光電子1140V抽油機變頻柜的技術指標
| 項目 | 標準指標 | |
| 輸入 | 額定電源電壓 | 3相1140V、50-60Hz±5%,電壓失衡率<3% |
| 輸出 | 額定電壓 | 最大輸出電壓同輸入電源電壓相同 |
| 額定電流 | 100%額定電流連續 | |
| 過載能力 | 150%額定電流1min,180%額定電流2s | |
| 輸出頻率 | 0Hz~600Hz,可設定 | |
| 主要 控制 功能 | 控制方式 | VVVF(優化PWM及標準PWM,可設定)、矢量控制 |
| 輸入方式 | 頻率輸入 | |
| 頻率分辨率 | 數字設定:0.01Hz | |
| 啟動頻率 | 0Hz~10Hz | |
| 轉矩提升 | 轉矩提升0.0%~20.0% | |
| V/FFFFF曲線 | 五種方式:恒轉矩V/F曲線、1種用戶定義多段V/F曲線方式和3種降轉矩特性曲線方式(2.0次冪、1.7次冪和1.3次冪) | |
| 加減速曲線 | 兩種方式:直線加減速、S曲線加減速; 兩種加減速時間,時間最長3000s | |
| 直流制動 | 停機直流制動起始頻率:0~15.00Hz 制動時間:0~60.0s 制動電流:0~150% | |
| 多段速運行 | 通過內置PLC或控制端子實現多段速運行 | |
| 自動電壓調整(AVR) | 當電網電壓變化10%時,維持輸出電壓恒定不變 | |
| 自動節能運行 | 根據負載情況,自動優化V/F曲線,實現節能運行 | |
| 通訊功能 | 具有RS485標準通訊接口,支持MODBUS通訊協議 | |
| 運行命令通道 | LED鍵盤、控制端子、串行口(RS485) | |
| 頻率設定通道 | LED鍵盤模擬電位器、LED鍵盤▲、▼鍵、功能碼數字給定、串行口、端子UP/DOWN、模擬電壓、模擬電流、組合給定 | |
| 輸入 功能 | 數字輸入通道 | 2路開停機控制端子、6路可編程數字量輸入 |
| 模擬輸入通道 | 2路模擬量信號輸入:2路0~10V/0~20mA可切換 | |
| 輸出 功能 | 數字輸出通道 | 2路開路集電極輸出、2路繼電器輸出 |
| 模擬輸出通道 | 2路模擬信號輸出:2路0~10V/4~20mA可切換 | |
| 操作 面板 | LED數碼顯示/HMI | 可顯示或設定變頻器相關參數 |
| 保護功能 | 提供多保護功能:短路、過流、過載、欠載、過壓、欠壓、缺相、過熱、外部故障、PID反饋斷線、485斷線等保護功能 | |
| 選配件 | 觸摸屏、鐵板房 | |
| 環境 | 海拔高度 | 低于1000m(高于1000m時需降額使用) |
| 環境溫度 | -10℃~+40℃ | |
| 濕度 | 小于90%RH,無結露 | |
| 振動 | 小于5.9m/s2(0.6G) | |
| 存儲溫度 | -20℃~+60℃ | |
| 結構 | 防護等級 | IP54 |
| 冷卻方式 | 強制風冷 | |
(1)柜體采用室外設計,防風、防雨、防沙,可在野外直接使用,而不必再建造房舍,減少用戶投資,方便使用。
(2)柜內設有電壓、電流表指示,用戶可直觀地觀察設備運行情況,操作方便。
(3)設有工頻旁路,以便在變頻故障或維修時可暫時投入工頻運行,保證生產的連續,不耽誤生產。
(4)針對有些油井需要緩抽的情況,還設計了間抽功能,時間可從一天到七天,方便用戶實現自動緩抽功能。
(5)對泵升電壓,根據用戶要求,可采用耗能電阻和回饋電網兩種方式進行處理,有效的保證了設備的安全運行,并提高了節電效果。
(6)采用低頻補償技術,使變頻器啟動力矩可根據現場情況進行適當調節,保證啟動正常,不會對設備造成危害。
4抽油機變頻改造的難點
抽油機變頻器改造磕頭機的難點是:在驢頭下放時存在電機發電狀態,如處理不好,會向變頻器內倒灌形成泵升電壓,使變頻器的母線電壓升高,危及變頻器的安全。
由于抽油機屬位能性負載,尤其當配重不平衡時,在驢頭下發過程中,電動機由于位能,使負載拖動電動機的轉速比變頻器輸出的頻率所對應的轉速還要高,電動機處于再生發電狀態,產生的再生電能傳輸到直流側濾波電容上,產生泵升電壓。過高的泵升電壓有可能損壞功率模塊、電解電容,甚至會破壞電機的絕緣,從而威脅系統安全工作,因此必須采取措施處理這部分再生能量。一般處理再生能量的方法有能量消耗和能量回饋兩種方式。
變頻器能量消耗是指采用耗能電阻將這一部分能量以熱能的形式消耗掉。在變頻器直流側加放電電阻單元組件,將再生電能消耗在功率電阻上(如圖5)。這是一種處理再生能量的最直接的辦法,它是將再生能量通過專門的能耗制動電路消耗在電阻上,轉化為熱能,因此,又被稱為電阻制動。
圖5 能量消耗型變頻器改造主回路圖
能量回饋型變頻器主回路如圖6所示。當有再生能量產生時,變頻器就將再生能量回饋給電網。通過這種方式,它可以將再生能量進行充分利用,從而起到既節約電能又處理再生電能的功效。
圖6 能量回饋型變頻器改造主回路圖
抽油機變頻器以上兩種處理再生能量的方式,可由用戶根據情況自我選用,二者各有利弊。采用耗能電阻價格比較便宜,但節能效果不如回饋單元更好些,而采用回饋單元節能效果比耗能電阻好些,大約多節電20%,而價格相應地比耗能電阻高。
5應用效果
2015年6月4日。新風光電子公司生產的37kW/1140V變頻器在勝利油田現河采油廠二礦抽油機上安裝調試成功,運行頻率26Hz,母線電壓1770V,輸出電流9A(額定電流23A),抽油機運行平穩。抽油機變頻器現場運行如圖7所示。
圖7 抽油機變頻器現場運行圖
采用風光牌抽油機變頻柜對磕頭機改造后,可體現出明顯的工作效益:
(1)啟動時沖擊電流減小。工頻時啟動電流大約是電機額定電流的4---7倍,而采用變頻器,則沒有沖擊電流,而且啟動平滑,對機械設備也沒有任何沖擊,既節約了電能,也保護了電網、電機及機械設備免收沖擊,效益是十分明顯的。
(2)沖次調節方便。工頻運行下調節沖次需停產后更換皮帶輪,費時、費力,耽誤生產。而采用變頻器后可以不停產,直接調節變頻器的頻率,根據油井液量增大或減小變頻器的頻率,即可平滑調節電機的轉速,實現沖次的調節,非常方便,節省了人工及機械費用。
(3)采用變頻器后提高了電網的功率因數,一般達到0.98以上,使電網的負荷利用率提高,減輕了電網及變壓器的負擔。
(4)節電明顯。采用變頻器后,節能效果明顯。當然由于油井供液情況不同,在前期、中期、后期可能有所不同,不同的油井可能也不同,前期可以提高轉速,使產液量提高,相應的生產效益提高。而中后期可降低轉速,甚至于在后期由于供液不足,可采用緩抽的方式,保證油井的正常工作。據綜合測試,節電率大約在15%---20%左右,效果是十分明顯的。
總之,采用變頻控制,對于設備的軟啟動,調節沖次,節能等各方面是很有成效的,是今后游梁式抽油機控制的較理想的選擇,值得大力推廣。